行业资讯
行业
行情
价格
当前位置:
首页
>
行业
>行业标准:《城市规划制图标准》CJJ/T 97-2003
行业标准:《城市规划制图标准》CJJ/T 97-2003
2026-05-15 07:45:31
行业标准:《城市规划制图标准》CJJ/T 97-2003
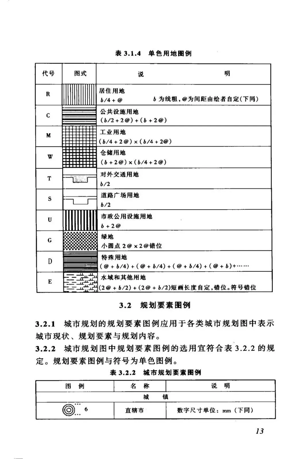
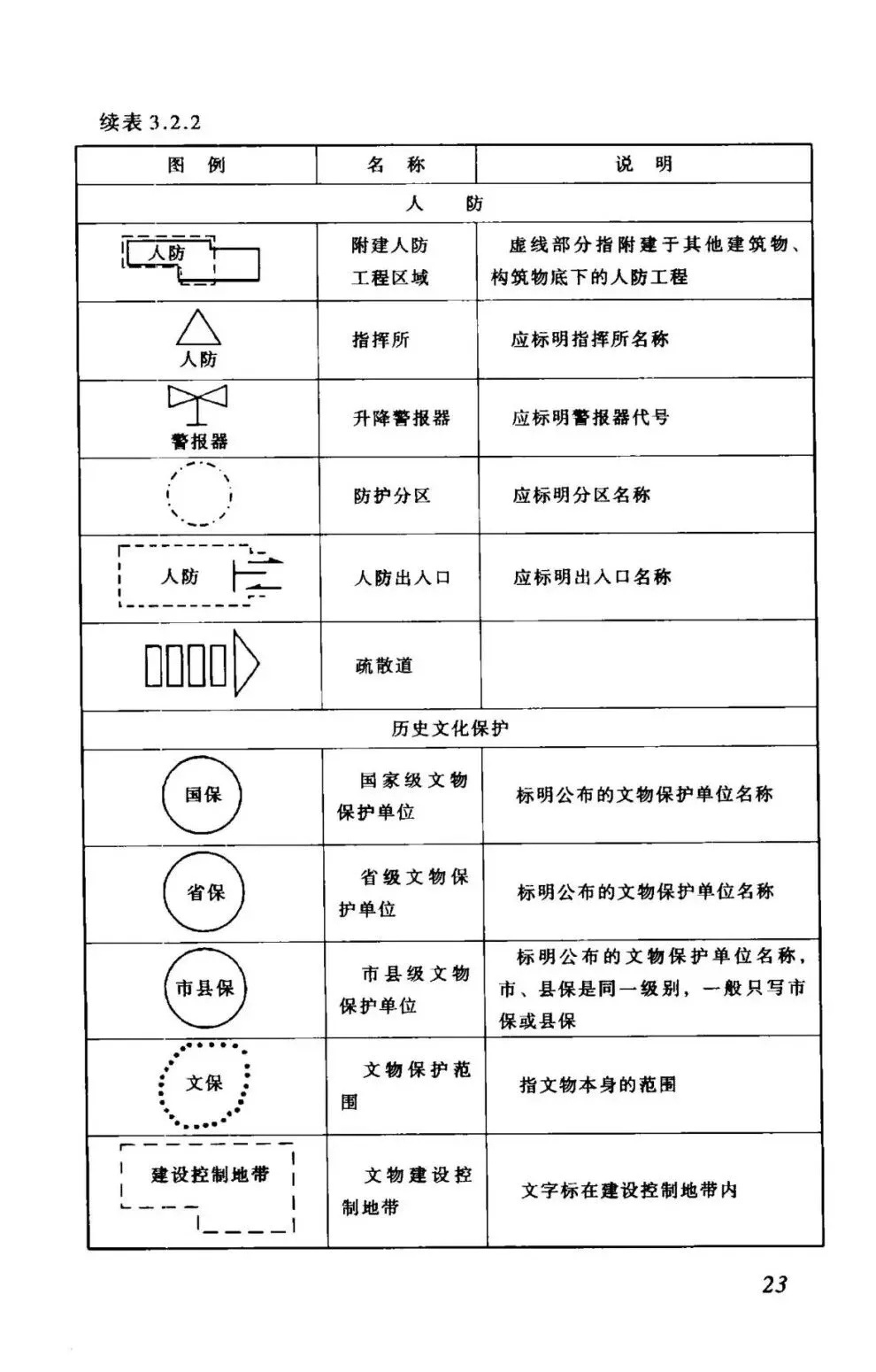
《城市规划制图标准》为行业标准,编号为
CJJ/T 97-2003,自2003年12月1日起实施。
本文来自网友投稿或网络内容,如有侵犯您的权益请联系我们删除,联系邮箱:wyl860211@qq.com 。
2026年1月17日玉米豆粕价格行情
台积电财报 “炸裂” ,谁还敢看空AI行情
最新文章
2026年1月17日玉米豆粕价格行情
永不消失的10大行业:一、医院:不会消失,
2026.1.17 华为全系列渠道价格 (手机 笔记本 平板 手表... )
原味六年新疆迪化一两银币欣赏和行情
1月17日贵州鸡蛋价格参考
慢牛行情:慢,才是最快的捷径!(细品段永平投资哲学)
湖南:第二届民政行业职业技能大赛1月20日开赛,包括养老护理员等三个赛项
2026年01月17号鸡蛋价格参考
价格雪崩!近300元跌至35元,曾经的网红“卖不动了”
【1月17日焦炭价格行情观察】多地焦企已发起首轮提涨,下周即将落地
热门文章
场景化、图谱化推进重点行业数字化转型的参考指引(2025 版)
行情结束了?多次精准预判牛市顶部的诺奖大佬,是这样说的
淘汰鸡价格参考--0117
2026·01·17蛋价行情
“工业互联网+AI”融合赋能钢铁行业高质量发展丨工业互联网和人工智能融合赋能
2026年1月17日淘汰鸡价格参考
2026.01.17鸡蛋价格行情
中国抗氧化合金行业市场深度调研及发展前景预测报告
天珠价格差千万?3个方法辨真假,佩戴禁忌别乱踩
纳斯达克指数行情+ 纳斯达克100ETF基金跟踪(01月17日)
随机文章
10个月宝宝每天需要喝多少奶粉?
中国特医食品行业市场深度调研及发展前景预测报告
惊爆!存储芯片价格突破天际,国产厂商能否借 AI 东风弯道超车?
中国高纯石英砂行业供需现状及竞争格局如何?
2026年1月17日淘汰鸡价格行情参考
2026年1月17日 鸡蛋和淘汰鸡价格行情(涨4)
存力即算力!AI重构的存储芯片史诗级行情:盘点相关概念股
中国空气集水行业:掘金“空中水库”的新蓝海
利群84mm烤烟型过滤嘴香烟价格介绍
养老行业内部控制知识解析
【涨】2026年1月17日鸡蛋价格行情参考
基本
文件
流程
错误
SQL
调试
请求信息 : 2026-05-16 11:53:36 HTTP/2.0 GET : https://mffb.com.cn/a/462848.html
运行时间 : 0.093642s [ 吞吐率:10.68req/s ] 内存消耗:4,640.35kb 文件加载:140
缓存信息 : 0 reads,0 writes
会话信息 : SESSION_ID=d5916fcda40d36e26b9e2d55f894d338
/yingpanguazai/ssd/ssd1/www/mffb.com.cn/public/index.php ( 0.79 KB )
/yingpanguazai/ssd/ssd1/www/mffb.com.cn/vendor/autoload.php ( 0.17 KB )
/yingpanguazai/ssd/ssd1/www/mffb.com.cn/vendor/composer/autoload_real.php ( 2.49 KB )
/yingpanguazai/ssd/ssd1/www/mffb.com.cn/vendor/composer/platform_check.php ( 0.90 KB )
/yingpanguazai/ssd/ssd1/www/mffb.com.cn/vendor/composer/ClassLoader.php ( 14.03 KB )
/yingpanguazai/ssd/ssd1/www/mffb.com.cn/vendor/composer/autoload_static.php ( 4.90 KB )
/yingpanguazai/ssd/ssd1/www/mffb.com.cn/vendor/topthink/think-helper/src/helper.php ( 8.34 KB )
/yingpanguazai/ssd/ssd1/www/mffb.com.cn/vendor/topthink/think-validate/src/helper.php ( 2.19 KB )
/yingpanguazai/ssd/ssd1/www/mffb.com.cn/vendor/topthink/think-orm/src/helper.php ( 1.47 KB )
/yingpanguazai/ssd/ssd1/www/mffb.com.cn/vendor/topthink/think-orm/stubs/load_stubs.php ( 0.16 KB )
/yingpanguazai/ssd/ssd1/www/mffb.com.cn/vendor/topthink/framework/src/think/Exception.php ( 1.69 KB )
/yingpanguazai/ssd/ssd1/www/mffb.com.cn/vendor/topthink/think-container/src/Facade.php ( 2.71 KB )
/yingpanguazai/ssd/ssd1/www/mffb.com.cn/vendor/symfony/deprecation-contracts/function.php ( 0.99 KB )
/yingpanguazai/ssd/ssd1/www/mffb.com.cn/vendor/symfony/polyfill-mbstring/bootstrap.php ( 8.26 KB )
/yingpanguazai/ssd/ssd1/www/mffb.com.cn/vendor/symfony/polyfill-mbstring/bootstrap80.php ( 9.78 KB )
/yingpanguazai/ssd/ssd1/www/mffb.com.cn/vendor/symfony/var-dumper/Resources/functions/dump.php ( 1.49 KB )
/yingpanguazai/ssd/ssd1/www/mffb.com.cn/vendor/topthink/think-dumper/src/helper.php ( 0.18 KB )
/yingpanguazai/ssd/ssd1/www/mffb.com.cn/vendor/symfony/var-dumper/VarDumper.php ( 4.30 KB )
/yingpanguazai/ssd/ssd1/www/mffb.com.cn/vendor/topthink/framework/src/think/App.php ( 15.30 KB )
/yingpanguazai/ssd/ssd1/www/mffb.com.cn/vendor/topthink/think-container/src/Container.php ( 15.76 KB )
/yingpanguazai/ssd/ssd1/www/mffb.com.cn/vendor/psr/container/src/ContainerInterface.php ( 1.02 KB )
/yingpanguazai/ssd/ssd1/www/mffb.com.cn/app/provider.php ( 0.19 KB )
/yingpanguazai/ssd/ssd1/www/mffb.com.cn/vendor/topthink/framework/src/think/Http.php ( 6.04 KB )
/yingpanguazai/ssd/ssd1/www/mffb.com.cn/vendor/topthink/think-helper/src/helper/Str.php ( 7.29 KB )
/yingpanguazai/ssd/ssd1/www/mffb.com.cn/vendor/topthink/framework/src/think/Env.php ( 4.68 KB )
/yingpanguazai/ssd/ssd1/www/mffb.com.cn/app/common.php ( 0.03 KB )
/yingpanguazai/ssd/ssd1/www/mffb.com.cn/vendor/topthink/framework/src/helper.php ( 18.78 KB )
/yingpanguazai/ssd/ssd1/www/mffb.com.cn/vendor/topthink/framework/src/think/Config.php ( 5.54 KB )
/yingpanguazai/ssd/ssd1/www/mffb.com.cn/config/app.php ( 0.95 KB )
/yingpanguazai/ssd/ssd1/www/mffb.com.cn/config/cache.php ( 0.78 KB )
/yingpanguazai/ssd/ssd1/www/mffb.com.cn/config/console.php ( 0.23 KB )
/yingpanguazai/ssd/ssd1/www/mffb.com.cn/config/cookie.php ( 0.56 KB )
/yingpanguazai/ssd/ssd1/www/mffb.com.cn/config/database.php ( 2.48 KB )
/yingpanguazai/ssd/ssd1/www/mffb.com.cn/vendor/topthink/framework/src/think/facade/Env.php ( 1.67 KB )
/yingpanguazai/ssd/ssd1/www/mffb.com.cn/config/filesystem.php ( 0.61 KB )
/yingpanguazai/ssd/ssd1/www/mffb.com.cn/config/lang.php ( 0.91 KB )
/yingpanguazai/ssd/ssd1/www/mffb.com.cn/config/log.php ( 1.35 KB )
/yingpanguazai/ssd/ssd1/www/mffb.com.cn/config/middleware.php ( 0.19 KB )
/yingpanguazai/ssd/ssd1/www/mffb.com.cn/config/route.php ( 1.89 KB )
/yingpanguazai/ssd/ssd1/www/mffb.com.cn/config/session.php ( 0.57 KB )
/yingpanguazai/ssd/ssd1/www/mffb.com.cn/config/trace.php ( 0.34 KB )
/yingpanguazai/ssd/ssd1/www/mffb.com.cn/config/view.php ( 0.82 KB )
/yingpanguazai/ssd/ssd1/www/mffb.com.cn/app/event.php ( 0.25 KB )
/yingpanguazai/ssd/ssd1/www/mffb.com.cn/vendor/topthink/framework/src/think/Event.php ( 7.67 KB )
/yingpanguazai/ssd/ssd1/www/mffb.com.cn/app/service.php ( 0.13 KB )
/yingpanguazai/ssd/ssd1/www/mffb.com.cn/app/AppService.php ( 0.26 KB )
/yingpanguazai/ssd/ssd1/www/mffb.com.cn/vendor/topthink/framework/src/think/Service.php ( 1.64 KB )
/yingpanguazai/ssd/ssd1/www/mffb.com.cn/vendor/topthink/framework/src/think/Lang.php ( 7.35 KB )
/yingpanguazai/ssd/ssd1/www/mffb.com.cn/vendor/topthink/framework/src/lang/zh-cn.php ( 13.70 KB )
/yingpanguazai/ssd/ssd1/www/mffb.com.cn/vendor/topthink/framework/src/think/initializer/Error.php ( 3.31 KB )
/yingpanguazai/ssd/ssd1/www/mffb.com.cn/vendor/topthink/framework/src/think/initializer/RegisterService.php ( 1.33 KB )
/yingpanguazai/ssd/ssd1/www/mffb.com.cn/vendor/services.php ( 0.14 KB )
/yingpanguazai/ssd/ssd1/www/mffb.com.cn/vendor/topthink/framework/src/think/service/PaginatorService.php ( 1.52 KB )
/yingpanguazai/ssd/ssd1/www/mffb.com.cn/vendor/topthink/framework/src/think/service/ValidateService.php ( 0.99 KB )
/yingpanguazai/ssd/ssd1/www/mffb.com.cn/vendor/topthink/framework/src/think/service/ModelService.php ( 2.04 KB )
/yingpanguazai/ssd/ssd1/www/mffb.com.cn/vendor/topthink/think-trace/src/Service.php ( 0.77 KB )
/yingpanguazai/ssd/ssd1/www/mffb.com.cn/vendor/topthink/framework/src/think/Middleware.php ( 6.72 KB )
/yingpanguazai/ssd/ssd1/www/mffb.com.cn/vendor/topthink/framework/src/think/initializer/BootService.php ( 0.77 KB )
/yingpanguazai/ssd/ssd1/www/mffb.com.cn/vendor/topthink/think-orm/src/Paginator.php ( 11.86 KB )
/yingpanguazai/ssd/ssd1/www/mffb.com.cn/vendor/topthink/think-validate/src/Validate.php ( 63.20 KB )
/yingpanguazai/ssd/ssd1/www/mffb.com.cn/vendor/topthink/think-orm/src/Model.php ( 23.55 KB )
/yingpanguazai/ssd/ssd1/www/mffb.com.cn/vendor/topthink/think-orm/src/model/concern/Attribute.php ( 21.05 KB )
/yingpanguazai/ssd/ssd1/www/mffb.com.cn/vendor/topthink/think-orm/src/model/concern/AutoWriteData.php ( 4.21 KB )
/yingpanguazai/ssd/ssd1/www/mffb.com.cn/vendor/topthink/think-orm/src/model/concern/Conversion.php ( 6.44 KB )
/yingpanguazai/ssd/ssd1/www/mffb.com.cn/vendor/topthink/think-orm/src/model/concern/DbConnect.php ( 5.16 KB )
/yingpanguazai/ssd/ssd1/www/mffb.com.cn/vendor/topthink/think-orm/src/model/concern/ModelEvent.php ( 2.33 KB )
/yingpanguazai/ssd/ssd1/www/mffb.com.cn/vendor/topthink/think-orm/src/model/concern/RelationShip.php ( 28.29 KB )
/yingpanguazai/ssd/ssd1/www/mffb.com.cn/vendor/topthink/think-helper/src/contract/Arrayable.php ( 0.09 KB )
/yingpanguazai/ssd/ssd1/www/mffb.com.cn/vendor/topthink/think-helper/src/contract/Jsonable.php ( 0.13 KB )
/yingpanguazai/ssd/ssd1/www/mffb.com.cn/vendor/topthink/think-orm/src/model/contract/Modelable.php ( 0.09 KB )
/yingpanguazai/ssd/ssd1/www/mffb.com.cn/vendor/topthink/framework/src/think/Db.php ( 2.88 KB )
/yingpanguazai/ssd/ssd1/www/mffb.com.cn/vendor/topthink/think-orm/src/DbManager.php ( 8.52 KB )
/yingpanguazai/ssd/ssd1/www/mffb.com.cn/vendor/topthink/framework/src/think/Log.php ( 6.28 KB )
/yingpanguazai/ssd/ssd1/www/mffb.com.cn/vendor/topthink/framework/src/think/Manager.php ( 3.92 KB )
/yingpanguazai/ssd/ssd1/www/mffb.com.cn/vendor/psr/log/src/LoggerTrait.php ( 2.69 KB )
/yingpanguazai/ssd/ssd1/www/mffb.com.cn/vendor/psr/log/src/LoggerInterface.php ( 2.71 KB )
/yingpanguazai/ssd/ssd1/www/mffb.com.cn/vendor/topthink/framework/src/think/Cache.php ( 4.92 KB )
/yingpanguazai/ssd/ssd1/www/mffb.com.cn/vendor/psr/simple-cache/src/CacheInterface.php ( 4.71 KB )
/yingpanguazai/ssd/ssd1/www/mffb.com.cn/vendor/topthink/think-helper/src/helper/Arr.php ( 16.63 KB )
/yingpanguazai/ssd/ssd1/www/mffb.com.cn/vendor/topthink/framework/src/think/cache/driver/File.php ( 7.84 KB )
/yingpanguazai/ssd/ssd1/www/mffb.com.cn/vendor/topthink/framework/src/think/cache/Driver.php ( 9.03 KB )
/yingpanguazai/ssd/ssd1/www/mffb.com.cn/vendor/topthink/framework/src/think/contract/CacheHandlerInterface.php ( 1.99 KB )
/yingpanguazai/ssd/ssd1/www/mffb.com.cn/app/Request.php ( 0.09 KB )
/yingpanguazai/ssd/ssd1/www/mffb.com.cn/vendor/topthink/framework/src/think/Request.php ( 55.78 KB )
/yingpanguazai/ssd/ssd1/www/mffb.com.cn/app/middleware.php ( 0.25 KB )
/yingpanguazai/ssd/ssd1/www/mffb.com.cn/vendor/topthink/framework/src/think/Pipeline.php ( 2.61 KB )
/yingpanguazai/ssd/ssd1/www/mffb.com.cn/vendor/topthink/think-trace/src/TraceDebug.php ( 3.40 KB )
/yingpanguazai/ssd/ssd1/www/mffb.com.cn/vendor/topthink/framework/src/think/middleware/SessionInit.php ( 1.94 KB )
/yingpanguazai/ssd/ssd1/www/mffb.com.cn/vendor/topthink/framework/src/think/Session.php ( 1.80 KB )
/yingpanguazai/ssd/ssd1/www/mffb.com.cn/vendor/topthink/framework/src/think/session/driver/File.php ( 6.27 KB )
/yingpanguazai/ssd/ssd1/www/mffb.com.cn/vendor/topthink/framework/src/think/contract/SessionHandlerInterface.php ( 0.87 KB )
/yingpanguazai/ssd/ssd1/www/mffb.com.cn/vendor/topthink/framework/src/think/session/Store.php ( 7.12 KB )
/yingpanguazai/ssd/ssd1/www/mffb.com.cn/vendor/topthink/framework/src/think/Route.php ( 23.73 KB )
/yingpanguazai/ssd/ssd1/www/mffb.com.cn/vendor/topthink/framework/src/think/route/RuleName.php ( 5.75 KB )
/yingpanguazai/ssd/ssd1/www/mffb.com.cn/vendor/topthink/framework/src/think/route/Domain.php ( 2.53 KB )
/yingpanguazai/ssd/ssd1/www/mffb.com.cn/vendor/topthink/framework/src/think/route/RuleGroup.php ( 22.43 KB )
/yingpanguazai/ssd/ssd1/www/mffb.com.cn/vendor/topthink/framework/src/think/route/Rule.php ( 26.95 KB )
/yingpanguazai/ssd/ssd1/www/mffb.com.cn/vendor/topthink/framework/src/think/route/RuleItem.php ( 9.78 KB )
/yingpanguazai/ssd/ssd1/www/mffb.com.cn/route/app.php ( 1.72 KB )
/yingpanguazai/ssd/ssd1/www/mffb.com.cn/vendor/topthink/framework/src/think/facade/Route.php ( 4.70 KB )
/yingpanguazai/ssd/ssd1/www/mffb.com.cn/vendor/topthink/framework/src/think/route/dispatch/Controller.php ( 4.74 KB )
/yingpanguazai/ssd/ssd1/www/mffb.com.cn/vendor/topthink/framework/src/think/route/Dispatch.php ( 10.44 KB )
/yingpanguazai/ssd/ssd1/www/mffb.com.cn/app/controller/Index.php ( 4.81 KB )
/yingpanguazai/ssd/ssd1/www/mffb.com.cn/app/BaseController.php ( 2.05 KB )
/yingpanguazai/ssd/ssd1/www/mffb.com.cn/vendor/topthink/think-orm/src/facade/Db.php ( 0.93 KB )
/yingpanguazai/ssd/ssd1/www/mffb.com.cn/vendor/topthink/think-orm/src/db/connector/Mysql.php ( 5.44 KB )
/yingpanguazai/ssd/ssd1/www/mffb.com.cn/vendor/topthink/think-orm/src/db/PDOConnection.php ( 52.47 KB )
/yingpanguazai/ssd/ssd1/www/mffb.com.cn/vendor/topthink/think-orm/src/db/Connection.php ( 8.39 KB )
/yingpanguazai/ssd/ssd1/www/mffb.com.cn/vendor/topthink/think-orm/src/db/ConnectionInterface.php ( 4.57 KB )
/yingpanguazai/ssd/ssd1/www/mffb.com.cn/vendor/topthink/think-orm/src/db/builder/Mysql.php ( 16.58 KB )
/yingpanguazai/ssd/ssd1/www/mffb.com.cn/vendor/topthink/think-orm/src/db/Builder.php ( 24.06 KB )
/yingpanguazai/ssd/ssd1/www/mffb.com.cn/vendor/topthink/think-orm/src/db/BaseBuilder.php ( 27.50 KB )
/yingpanguazai/ssd/ssd1/www/mffb.com.cn/vendor/topthink/think-orm/src/db/Query.php ( 15.71 KB )
/yingpanguazai/ssd/ssd1/www/mffb.com.cn/vendor/topthink/think-orm/src/db/BaseQuery.php ( 45.13 KB )
/yingpanguazai/ssd/ssd1/www/mffb.com.cn/vendor/topthink/think-orm/src/db/concern/TimeFieldQuery.php ( 7.43 KB )
/yingpanguazai/ssd/ssd1/www/mffb.com.cn/vendor/topthink/think-orm/src/db/concern/AggregateQuery.php ( 3.26 KB )
/yingpanguazai/ssd/ssd1/www/mffb.com.cn/vendor/topthink/think-orm/src/db/concern/ModelRelationQuery.php ( 20.07 KB )
/yingpanguazai/ssd/ssd1/www/mffb.com.cn/vendor/topthink/think-orm/src/db/concern/ParamsBind.php ( 3.66 KB )
/yingpanguazai/ssd/ssd1/www/mffb.com.cn/vendor/topthink/think-orm/src/db/concern/ResultOperation.php ( 7.01 KB )
/yingpanguazai/ssd/ssd1/www/mffb.com.cn/vendor/topthink/think-orm/src/db/concern/WhereQuery.php ( 19.37 KB )
/yingpanguazai/ssd/ssd1/www/mffb.com.cn/vendor/topthink/think-orm/src/db/concern/JoinAndViewQuery.php ( 7.11 KB )
/yingpanguazai/ssd/ssd1/www/mffb.com.cn/vendor/topthink/think-orm/src/db/concern/TableFieldInfo.php ( 2.63 KB )
/yingpanguazai/ssd/ssd1/www/mffb.com.cn/vendor/topthink/think-orm/src/db/concern/Transaction.php ( 2.77 KB )
/yingpanguazai/ssd/ssd1/www/mffb.com.cn/vendor/topthink/framework/src/think/log/driver/File.php ( 5.96 KB )
/yingpanguazai/ssd/ssd1/www/mffb.com.cn/vendor/topthink/framework/src/think/contract/LogHandlerInterface.php ( 0.86 KB )
/yingpanguazai/ssd/ssd1/www/mffb.com.cn/vendor/topthink/framework/src/think/log/Channel.php ( 3.89 KB )
/yingpanguazai/ssd/ssd1/www/mffb.com.cn/vendor/topthink/framework/src/think/event/LogRecord.php ( 1.02 KB )
/yingpanguazai/ssd/ssd1/www/mffb.com.cn/vendor/topthink/think-helper/src/Collection.php ( 16.47 KB )
/yingpanguazai/ssd/ssd1/www/mffb.com.cn/vendor/topthink/framework/src/think/facade/View.php ( 1.70 KB )
/yingpanguazai/ssd/ssd1/www/mffb.com.cn/vendor/topthink/framework/src/think/View.php ( 4.39 KB )
/yingpanguazai/ssd/ssd1/www/mffb.com.cn/vendor/topthink/framework/src/think/Response.php ( 8.81 KB )
/yingpanguazai/ssd/ssd1/www/mffb.com.cn/vendor/topthink/framework/src/think/response/View.php ( 3.29 KB )
/yingpanguazai/ssd/ssd1/www/mffb.com.cn/vendor/topthink/framework/src/think/Cookie.php ( 6.06 KB )
/yingpanguazai/ssd/ssd1/www/mffb.com.cn/vendor/topthink/think-view/src/Think.php ( 8.38 KB )
/yingpanguazai/ssd/ssd1/www/mffb.com.cn/vendor/topthink/framework/src/think/contract/TemplateHandlerInterface.php ( 1.60 KB )
/yingpanguazai/ssd/ssd1/www/mffb.com.cn/vendor/topthink/think-template/src/Template.php ( 46.61 KB )
/yingpanguazai/ssd/ssd1/www/mffb.com.cn/vendor/topthink/think-template/src/template/driver/File.php ( 2.41 KB )
/yingpanguazai/ssd/ssd1/www/mffb.com.cn/vendor/topthink/think-template/src/template/contract/DriverInterface.php ( 0.86 KB )
/yingpanguazai/ssd/ssd1/www/mffb.com.cn/runtime/temp/49e0cd3e0528281c5c5fae705243dc37.php ( 11.98 KB )
/yingpanguazai/ssd/ssd1/www/mffb.com.cn/vendor/topthink/think-trace/src/Html.php ( 4.42 KB )
CONNECT:[ UseTime:0.000478s ] mysql:host=127.0.0.1;port=3306;dbname=no_mfffb;charset=utf8mb4
SHOW FULL COLUMNS FROM `fenlei` [ RunTime:0.000656s ]
SELECT * FROM `fenlei` WHERE `fid` = 0 [ RunTime:0.001608s ]
SELECT * FROM `fenlei` WHERE `fid` = 63 [ RunTime:0.000310s ]
SHOW FULL COLUMNS FROM `set` [ RunTime:0.000686s ]
SELECT * FROM `set` [ RunTime:0.000241s ]
SHOW FULL COLUMNS FROM `article` [ RunTime:0.000719s ]
SELECT * FROM `article` WHERE `id` = 462848 LIMIT 1 [ RunTime:0.000406s ]
UPDATE `article` SET `lasttime` = 1778903616 WHERE `id` = 462848 [ RunTime:0.003585s ]
SELECT * FROM `fenlei` WHERE `id` = 64 LIMIT 1 [ RunTime:0.000279s ]
SELECT * FROM `article` WHERE `id` < 462848 ORDER BY `id` DESC LIMIT 1 [ RunTime:0.000442s ]
SELECT * FROM `article` WHERE `id` > 462848 ORDER BY `id` ASC LIMIT 1 [ RunTime:0.000475s ]
SELECT * FROM `article` WHERE `id` < 462848 ORDER BY `id` DESC LIMIT 10 [ RunTime:0.000719s ]
SELECT * FROM `article` WHERE `id` < 462848 ORDER BY `id` DESC LIMIT 10,10 [ RunTime:0.000996s ]
SELECT * FROM `article` WHERE `id` < 462848 ORDER BY `id` DESC LIMIT 20,10 [ RunTime:0.001794s ]
0.096197s