
本文由定制化的企业情报智能服务平台
——【情报强企】提供
市场商机
拟建|五河永洋新能源科技有限公司永洋新能源五河绿色能源基地二期风电场项目
标签:#风电
该新建项目位于安徽省蚌埠市五河县武桥镇,由五河永洋新能源科技有限公司投资建设。项目总装机容量150.05MW,拟安装16台单机容量为6.25MW的风力发电机组和7台单机容量为7.15MW的风力发电机组。
企业资讯
年度认证双双通过!湘电股份电机产品质量再获权威认可
标签:#湘电股份

近日,湘电股份先后顺利通过中国质量认证中心(CQC)与威凯检测技术有限公司的年度监督审核,公司节能、安全类电机获证产品的质量保证能力再次获得国家权威机构肯定。

东方电气发布新一代风电叶片内窥检测机器人,突破行业质检难题
标签:#东方电气
东方电气发布新一代风电叶片内窥检测机器人“东方风瞳”,解决了叶片内部检测长期面临的困境,实现了智能化质检新范式。该机器人具备全域自适应移动平台、三眼协同视觉系统等四大技术亮点,获国家级认证。
行业动态
中国首个农业废弃物+绿氢制绿色甲醇项目实现生物质能源的重大突破
中国首个农业废弃物+绿氢制绿色甲醇项目实现生物质能源的重大突破。项目以牛粪为主要原料,通过牛粪气化和绿氢耦合技术,年产10万吨绿色生物甲醇,解决了农业废弃物污染和绿氢消纳难题,具有显著的生态效益和能源效益。

开门红!中国能建中标印尼水电站,深耕海外清洁能源赛道

中国能建葛洲坝集团中标印尼波伊加2号水电站EPC总承包项目,开启海外清洁能源市场。项目位于印尼北苏拉威西省,由葛洲坝集团与印尼建筑国企合作承建,涵盖设计、采购、施工、安装和调试全过程,建设两台15兆瓦水力发电机组,总装机容量30兆瓦。

《水力发电建设工程智慧工地技术规范》正式发布
标签:#水力发电

近日,中国电力建设企业协会组织发起的《水力发电建设工程智慧工地技术规范》正式发布,将于4月1日起实施。该规范旨在推动工程管理模式向智慧化转型,填补了水电特殊施工场景的技术标准空白,提供重要技术支撑。
政策标准
湖南率先出台虚拟电厂管理细则,推动新型电力系统建设迈出关键一步
标签:#新型电力系统

近日,湖南省能源局正式印发《湖南省虚拟电厂管理工作细则》及系列配套附件,对省内虚拟电厂的建设、接入、运营、评价等全流程管理作出了系统规范。

浙江省电力行业协会发布团体标准《燃煤锅炉粉煤灰制预拌混凝土碳减排量核算规则》
标签:#燃煤锅炉
浙江省电力行业协会发布团体标准《燃煤锅炉粉煤灰制预拌混凝土碳减排量核算规则》,填补核算方法学空白,为粉煤灰资源化利用项目提供核算指南,推动协同减排、固废资源化与降碳协同,激活碳资产价值。
前沿技术
[发明授权] 耦合煤气柜和熔盐储能的调峰发电系统
标签:#熔盐储能

重庆赛迪热工环保工程技术有限公司公开了一种耦合煤气柜和熔盐储能的调峰发电系统,含煤气存储、煤气发电、调峰发电及熔盐系统,通过整合设备匹配工况,实现更灵活的长时储能调节。

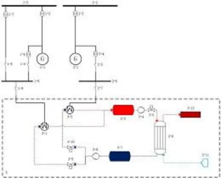
[实用新型] 一种火电厂熔盐储能稳定供汽系统
标签:#熔盐储能

华能广东海门电厂与西安热工院公开了一种火电厂熔盐储能稳定供汽系统,含两台供电机组及熔盐储能供汽模块,机组通过厂用母线为模块供电且均连电网母线。系统可灵活选择机组运行方式,保障各工况下稳定供汽,提升系统稳定性,保证社会效益并避免安全事故。
本文内容来源于网络资料,由【情报强企】整理
关于情报强企
情报强企是国内领先的企业情报服务商,为企业提供定制化的线上情报搜集与管理服务。情报强企平台帮助企业自动抓取并推送行业最新动态,无需部署安装,支持多账号使用,实现多部门情报共享,助力企业决策。网页搜索“情报强企官网”或点击下方阅读原文,了解更多服务介绍~

微信扫码获取企业定制情报↓↓↓

关注本号↓↓精彩更多~
点击 阅读原文了解情报强企